
18000 nm prevodovka reduktora pre žeriavy
Poskytuje výkonný výkon krútiaceho momentu a ponúka širokú škálu pomerov prevodov, ktoré spĺňajú požiadavky na prenos energie rôznych zdvíhacích operácií.
Prevodovka s momentom momentu HFT018T3B 18 000 Nm - navrhnutá pre žeriavy
Vďaka svojej vynikajúcej kapacite krútiaceho momentu a rozmanitým možnostiam pomeru poskytuje prevodovka s redukciou 18000 nm pre žeriavy stabilnú a spoľahlivú podporu výkonu, čo z nej robí kritickú súčasť v systémoch prenosu žeriavu.
Funkcia
- Maximálny krútiaci moment
18 000 n · m, vhodné pre stredné až veľké žeriavové aplikácie
- Rozsah
Viacnásobné pomery od 16,27 do 170,24, ktoré poskytujú flexibilnú rýchlosť a zodpovednosť za zaťaženie
- Možnosti brzdy
Podporuje hydraulicky vydané parkovacie brzdy, prispôsobiteľné na požiadanie
- Váha
Približne 90 kg, s kompaktnou štruktúrou pre ľahkú inštaláciu a údržbu
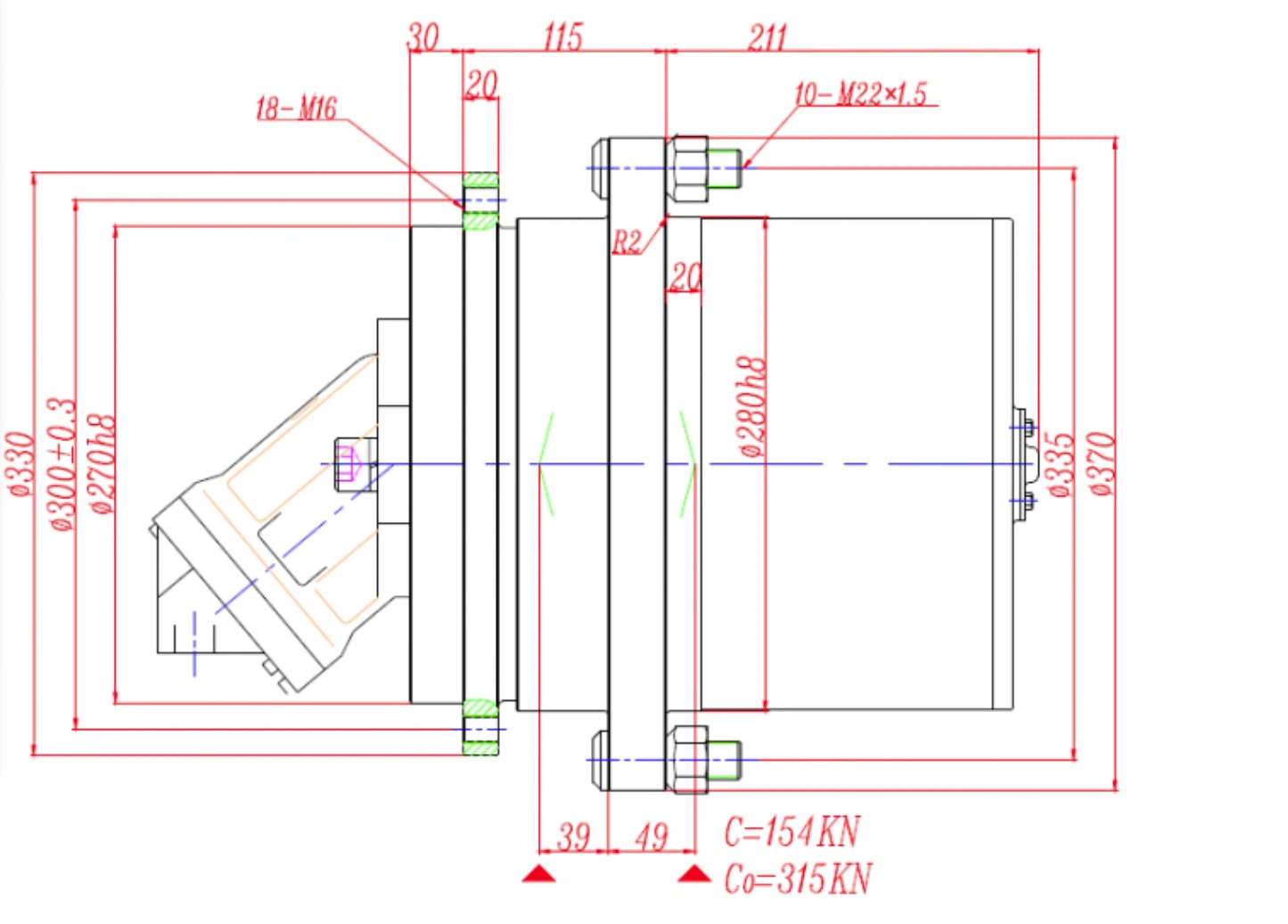
Kresba

Aplikácia

Špecifikácie výrobkov
| Model | Hft018t3b |
| Max. Výstupný krútiaci moment: | 18000 N.M |
| Pomer: | 16.27;19.9;22.62; 26.43;32.14;45.42; 37.57;53.95;64.24; 77.95:88.23; 102.62: 112.14; 124.2;135.71; 150.51:170.24; |
| Možnosti brzdy |
Hydraulicky uvoľnená parkovacia brzda na požiadanie |
| Váha: | 90 kg |
|
Číslo modelu |
Hft018t3b |
| Tuleň | plávajúce olejové tesnenia |
| Moment | Moment vyššej výstupu |
| Zvyk | Prispôsobený dizajn |
| Brzdenie | Viaceré kotúčové brzdy |
| Zaťaženie | Kapacita zaťaženia |
| Mletý zub | Koreň zubov bez zákruty |
| Zvyk | Prispôsobený dizajn |
| Dodanie | Rýchle doručenie |
Populárne Tagy: Prevodovka s redukciou 18000 nm pre žeriavy, Čína 18000 nm prevodovku pre výrobcov žeriavov, dodávateľov, továreň
Tiež sa vám môže páčiť
Zaslať požiadavku











